1、LM324是四运放集成电路,它采用14管脚双列直插塑料(陶瓷)封装。它的内部包含四组形 式完全相同的运算放大器,除电源共用外,四组运放相互独立。每一组运算放大器可用图1所示的符号来表示

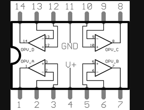
2、它有5个引出脚,其中“+”、“-”为两个信号输 入端,“V+”、“V-”为正、负电源,“Vo”为输出端。两个信号输入端中,Vi-(-)为反相输入端,表示运放输出端Vo的信号与该输入端的相位相 反;Vi+(+)为同相输入端,表示运放输出端Vo的信号与该输入端的相位相同。LM324的引脚排列 见下图。

lm324n应用电路图:

3、LM324系列运算放大器是价格便宜的带差动输入功能的四运算放大器。可工作在单电源下,电压范围是3.0V-32V或+16V。LM324内含4个独立的高增益、频率补偿的运算放大器,既可接单电源使用 (3~30 V),也可接双电源使用(±1.5~±15 V),驱动功耗低,可与TTL逻辑电路相容。
扩展资料:
LM324n的特点:
1、短跑保护输出
2、真差动输入级
3、具有内部补偿的功能
4、行业标准的引脚排列
5、共模范围扩展到负电源
6、每封装含四个运算放大器
7、输入端具有静电保护功能
8、可单电源工作:3V-32V
9、低偏置电流:最大100nA(LM324A)
一、lm324n原理电路图

二、各引脚的作用
各引脚作用图如下:

管脚定义为:
1 、第一路运放输出;
2 、第一路运放反相输入;
3 、第一路运放同相输入;
4 、输入电压正极;
5 、第二路运放同相输入;
6 、第二路运放反相输入;
7 、第二路运放输出;
8 、第三路运放输出;
9 、第三路运放反相输入;
10、第三路运放同相输入;
11、工作地;
12、第四路运放同相输入;
13、第四路运放反相输入;
14、第四路运放输出。

扩展材料:
LM324是一款通用的集成四路运算放大器,主要优点就是成本低廉、性价比高。
技术上具有以下特点:
1、即使只用单电源供电,在线性工作区内,共模输入电压是可以低到地电位的,输出电压摆幅也能够到地电位。
2、增益交越频率是有温度补偿的。
3、输入偏置电流也是有温度补偿的。
参考资料:
LM324是一款通用的集成四路运算放大器,主要优点就是成本低廉、性价比高。
即使只用单电源供电,在线性工作区内,共模输入电压是可以低到地电位的,输出电压摆幅也能够到地电位。
增益交越频率是有温度补偿的。
输入偏置电流也是有温度补偿的。

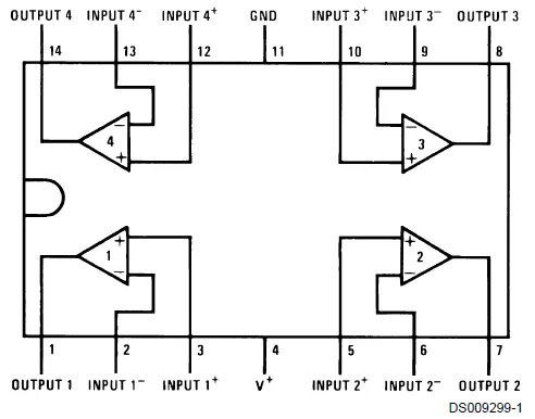
在常见的SO14封装以及DIP14封装中,管脚定义为:
详细介绍用电动车充电器来讲解充电控制原理,LM324的作用,学维修要掌握,建议初学者朋友仔细看看
lm324是通用的四运放集成电路,应用有很多,你可以参照一下下面这个。
