无刷电动机就是没有电刷的电动机,即它的转子和定子之间没有电刷和换向器。无刷电动机绕组电流方向是通过控制器提供各个方向的直流电来转换的。它采用内置传感器外加电子换向器的方法进行电子换向,主要是为了消除电刷的磨损,以及电刷接触所产生的噪声。无刷电动机是一种特殊的直流电动机。

无刷电动机主要由机壳、定子、转子、转子位置传感器和轴承等组成,如图所示。绕组与位置传感器是固定在电动机轴上的,它是定子的一部分,不能旋转。磁钢是无刷电动机的旋转部件。

(汽车维修技术网 原创 https://www.QcwxJs.com/)
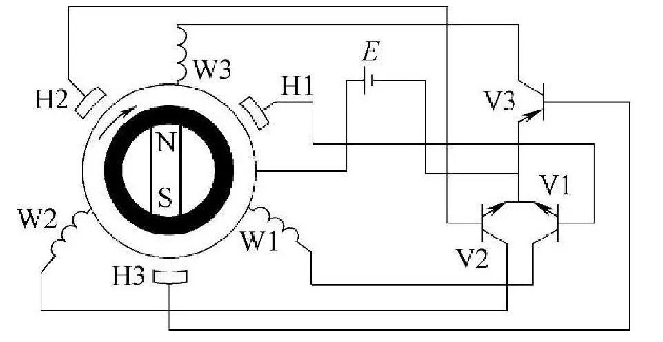
无刷电动机绕组电流方向是通过控制器提供各个方向的直流电来转换的。它采用内置传感器外加电子换向器的方法进行电子换向,主要是为了消除电刷的磨损,以及电刷接触所产生的噪声。图为直流无刷电动机基本工作原理图。

图中,W1~W3为电动机定子电枢绕组;N、S为转子磁铁;用晶体管V1~V3作为电子开关,起电子换向的作用;H1~H3为霍尔元件,作用于位置传感器。转子转动的原理如下:H1检测到转子的N极,则V1导通,电流经W1、V1流通,W1形成磁极S,吸引转子的N极,转子就按图示箭头方向转动。接着H2检测到转子的S极,V2导通,电流经V2、W2流通,W2形成磁极S,吸引转子的N极,转子就按图示的箭头方向继续转动,不断重复上述过程,使转子不停顿地转动。
