创作立场声明:个人 DIY 作品
卧室里有个一米多宽的窗户,白天要拉开窗帘透光,晚上要关上窗帘睡觉。每天站起来开关窗帘挺麻烦的,于是便打算把窗帘改成电动遥控的,坐着就能开合窗帘。更进一步的可以将其连入米家,配合光照传感器就能早晚自动控制窗帘了。

市面上已经有很成熟的电动窗帘解决方案了,基本用的都是智能电机+轨道的方案,电机接入米家可联网智能控制,窗帘安装在轨道上,支持多种开合方式,唯一的缺点就剩贵了,卧室里的小小窗帘显然配不上它。

现成的太贵,那就自己 DIY,目的就是让窗帘能够左右运动。让窗帘单向运动不难,只要电机拽根绳子就能拉动窗帘了,但这样没法让窗帘反向运动。上面提到的方案是采用电机+皮带传动,需要一个跟窗户宽度一样的轨道,皮带转动带动滑轨上的窗帘运动。
复刻这种方案成本高,控制难,单电机方案我还考虑过 3D 打印用的丝杆+滑轨,如果用两个电机就涉及到两个电机之间的配合,这些方案显然都过重了。
有啥单电机的低成本解决方案呢?直到我无意间找到了它——「防丢绳」。

这个防丢绳是很久以前买东西送的,一端别在腰带上,一端可以挂钥匙,拉绳线长 80cm,松手后靠内置弹簧自动缩回去,这样就可以实现电机正转开窗帘,电机反转在拉力的作用下关窗帘。
电机的话就用最常见的 N20 减速电机。

如何最简单的实现电机的正反转也是个问题。常见的有下面这种电机正反转的模块,除了控制正反转外还有限位功能,除了体积大点可以说十分完美了。

小一点的电机正反转控制模块也有,比如下图这种,还能调速,就是正反转是需要手动按下 6 脚 2 档船型开关才能切换。

如何用电路实现上面模块中的船型开关的功能呢?
那就是控制电机正反转的 H 桥电路。

上图是一种简单的 H 桥电路,它由 2 个 P 型场效应管 Q1、Q2 与 2 个 N 型场效应管 Q3、Q4 组成,所以它叫 P-N MOS 管 H 桥。桥臂上的 4 个场效应管相当于四个开关,当开关 S1 和 S4 闭合(S2 和 S3 断开)时,电机两端将被施加正电压。通过打开 S1 和 S4 开关,关闭 S2 和 S3 开关,该电压方向变为反向,从而使电机反向运行。

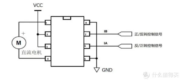
比如 L9110 就是这样一款电机正反转驱动芯片,

给第6和第7引脚输入不同的控制电平信号就能实现电机的正反转控制。

如果前端接的是无线接收模块,那么就可以遥控电机正反转了,比如下面这款集成了无线接收和电机正反转的小模块,体积只有拇指大。

跟我之前分享过的 315/433 无线遥控设备一样,无线接收部分也是两枚打磨的芯片。

用锂电池供电,接上电机,就能用遥控器控制正反转了。

将防丢器卡在原来窗帘的轨道里,绳子一端固定到窗帘上。

把电机固定到墙上,转轴上的绳子穿过挂环,一直到最右侧与防丢绳相连。

看看效果:

功能方面没啥问题,就是速度有点慢,后面换一个转速快的电机。
如果把电机正反转的控制信号换成我之前 DIY 的物联网开关「HKey」,那么就能把电机接入米家联动光照传感器自动控制了,但是自动控制就需要增加限位开关,目前还没啥简单的方案,等我搞出来了再来分享。

窗帘能电动遥控了,下面打算把窗户也改成电动的。推杆、电机正反转模块已就位,连入米家用语音控制推杆伸缩测试正常,「米家智能自动开关窗」敬请期待,欢迎关注~
